Elementos seleccionados
Capítulo I
Elementos seleccionados
A
continuación se facilita una descripción de los
elementos del sistema y sus relaciones, para lograr una
visión de conjunto.
|
ADC0808
Conversor Analógico-Digital de 8 Bits
ADC0808, Conversor
Analógico-Digital de 8 Bit , de la casa “National
semiconductor”.
Justificación:
Este es un circuito conversor A/D de 8 entradas, de la cuales
sólo utilizaremos una para controlar la intensidad media y
la intensidad eficaz. Pudiendo haber elegido otro aprovechando
más sus características, la elección
de éste se basa en:
• Su fácil interface con todos los
microprocesadores.
• El no requerimiento de ajuste de cero o escala completa.
• Su rapidez y gran precisión en la
conversión.
En la configuración elegida para el esquema general recibe
una señal analógica proveniente del filtro
paso-bajo (intensidad media) y otra del conversor a valor eficaz AD536
(intensidad eficaz ).
Para elegir que señal queremos controlar en cada momento una
de las entradas de selección las conectamos con el Puerto 1
del micro, para que con un valor 0 ó 1 seleccione la
señal analógica de la que queremos obtener su
valor en digital por la salida de conversor A/D. Cuando esta
señal supere los valores establecidos como
máximos, activará el microprocesador.

|
AD536A
Integrated Circuit True RMS-to-DC Converter
AD536A, Integrated Circuit True
RMS-to-DC Converter, de la casa “Anlog Devices”.
Justification:
Se eligió la configuración del AD536A de la
figura 7 (ver ANEXO A de este circuito).
La principal causa es:
• Reduce con el filtro exterior de dos polos el rizado de
salida alterna (AC), consiguiendo una gran mejoría en la
precisión de la medida que nos compensa el aumento del
tiempo que se produce en la realización de la
conversión (RMS a DC).
Una vez realizada la elección, explicaremos más
detalladamente el funcionamiento:
El convertidor de valor eficaz a continuo, recibe en su entrada una
señal con componente AC, mandada por el amplificador
operacional en montaje diferencial, en su interior en el divisor
cuadrático medio el AD536 toma continuamente la muestra para
valorar su tensión eficaz y trasladar ese valor a la salida
en continua (DC), a través del filtro externo de dos polos
conseguiremos que ese valor en la salida tenga el mínimo
error, eso es, que lleve una mínima componente de AC.

|
OP07
Ultralow FOCET Voltaje Operational Amplifier
OP07, Ultralow FOCET Voltaje
Operational Amplifier, de la casa “Analog Devices”.
Justificación:
Este dispositivo se utilizara en dos configuraciones, como amplificador
diferencial y como filtro paso bajo.
a) amplificador diferencial.
El amplificador operacional diferencial está conectado a una
resistencia de sensado, la cual pretende, a través de su
bajo valor, no influir en el valor de corriente que esté
entregando el puente H en todo momento (recordar Intensidad =
Tensión / Resistencia), apreciando también por
esta fórmula que en ella habrá un
pequeño valor de caída de tensión (0.2
voltios a 1.5 voltios * ver cálculos del amplificador
operacional diferencial*).
La elección del amplificador operacional en montaje
diferencial es para amplificar esta señal,
intentándola llevar a unos valores de tensión
mayores con los que se pueda trabajar mejor, influyendo menos el ruido
y las capacidades parásitas.
b) Filtro paso bajo.
Hemos elegido un filtro paso-bajo activo de primer orden porque es muy
estable y no tiene peligro de entrar en oscilaciones.
Este circuito pretende eliminar la
componente de alterna que lleva la señal entregada por el
amplificador operacional diferencial, esto se realiza calculando el
filtro paso-bajo para una frecuencia de corte de 1 hertzio,
así obtendremos en su salida un nivel de tensión
continua correspondiente a la corriente media que demanda el motor, por
la relación de ganancia ofrecida por el amplificador
operacional diferencial, pues a este filtro le configuramos en montaje
seguidor de emisor para que su ganancia sea 1, no modificando el nivel
de tensión de la señal entregada por el
amplificador operacional.

|
Alarma
por temperatura
Interruptor térmico
Alarma por temperatura.
Este circuito está basado en la utilización de un
interruptor térmico, su funcionamiento sería el
siguiente:
a) Si la temperatura es inferior a (70 ± 5) ºC, el
interruptor térmico permanecerá abierto,
llegándole a la patilla de interrupción del
microprocesador INT1 activa nivel bajo, un nivel alto (5 voltios), lo
que significa que el microprocesador no indicará un fallo de
temperatura.
b) Si la temperatura del disipador es superior a (70 ± 5)
ºC, el interruptor térmico cerrará su
contacto introduciendo un nivel bajo por la patilla de
interrupción INT1 del microprocesador, dejándola
activada, indicando que existe temperatura elevada en los mosfets.
Esta señal llegara a la patilla de interrupción
INT1 a través de un Octoacoplador para separar la
señal del circuito de potencia.
Hasta que no caiga la temperatura 50 ºC (ver
características del interruptor térmico en ANEXO
A) no volverá a su posición natural de
normalmente abierto.

|
Sistema
de alarmas
Funcionamiento
|
Funcionamiento del
esquema completo de alarmas y errores.
El fin perseguido por este esquema es el de conseguir que a un
microprocesador le llegue en todo momento el valor de corriente medio y
eficaz, que demande el puente H para que cuando estos valores superen a
los establecidos como máximos, el microprocesador a
través de su bit de interrupciones atienda al error y mande
las correspondientes órdenes al LM629 para que regule el
motor a un funcionamiento establecido como correcto.
Para obtener una más clara explicación vamos a
dividir las señales controladas:
- Alarma de temperatura: colocando un interruptor térmico
normalmente abierto en el disipador del puente H, activará
por la configuración de circuito únicamente el
bit de interrupciones, cuando la temperatura sea superior a la
especificada.
- Alarma por la superación de la intensidad media y alarma
por superación de la intensidad eficaz:
Ambas parten de un amplificar operacional en montaje diferencial, que
pretende aumentar la tensión que recae en la resistencia de
sensado del puente H y por una relación
tensión-corriente obtener el valor de esta
última.
- Respecto a la superación de la intensidad media: la
señal proveniente del amplificador operacional diferencial
es conducida a la entrada de un filtro paso-bajo con frecuencia de
corte de 1 Hertzio, con el propósito de eliminar el valor de
alterna de la señal de entrada y obtener en la salida del
filtro el valor de tensión de continua medio que
está entregando actualmente el puente H.
Esta señal la recibe un conversor
analógico-digital para tratarla y obtener un valor digital
con el que poder atacar al microprocesador.
- Respecto a la superación de la intensidad eficaz: la
señal recibida del amplificador operacional diferencial se
conecta a la entrada de un conversor a valor eficaz, que a su vez se
conecta a la entrada analógica de un conversor
analógico digital, para que éste la convierta en
un valor digital ejecutable por el microprocesador.
A través de una línea de dirección,
escogeremos mediante el microprocesador si queremos leer intensidad
eficaz o intensidad media.
Representación de las alarmas.
Esta se llevara a cabo por medio de un visualizador de 7 segmentos, el
cual se describirá a continuación.

|
LM7446A
DECODIFICADOR BCD A 7 SEGMENTOS
|
DESCRIPCIÓN GENERAL.
El 7446A y 7447A se caracterizan por salidas activas a nivel bajo
diseñadas para manejar leds de ánodo
común o indicadores incandescentes directamente; y el 7448
se caracteriza por salidas activas a nivel alto para manejar buffers de
lámparas o leds de cátodo común.
Todos los circuitos tienen controles de entrada/salida de puesta en
blanco y una entrada de pruebas de lámparas.
DESCRIPCIÓN DE FUNCIONAMIENTO.
El decodificador/excitador BDC a siete segmentos consta de puertas
NAND, buffers de entrada y siete puertas AND-OR INVERT.
Esto ofrece salidas de corriente de absorción (SINK CURRENT)
elevada con un bajo activo para excitar indicadores directamente. Siete
puertas NAND y un excitador se hallan conectadas por parejas para poder
ofrecer los datos BCD y su complemento a las siete puertas
decodificadoras AND-OR-INVERT.
La puerta restante NAND y tres buffers de entrada proporcionan la
entrada de lámpara de prueba, entrada de BLANKING salida de
RIPPLE-BLANKING y entrada RIPPLE BLANKING.
El circuito acepta información BCD (decimal codificado
binario) de 4 bits y dependiendo del estado de las entradas auxiliares,
decodifica estos datos para atacar un indicador de siete segmentos.
Los niveles de salida lógica-positiva, así como
las condiciones requeridas en las entradas auxiliares, se indican en la
tabla de verdad. Las configuraciones de salida del
decodificador/excitador están diseñadas para
aguantar las tensiones relativamente elevadas requeridas por los
indicadores de siete segmentos.
Las salidas aguantan 15 voltios con una corriente inversa
máxima de 250µA. La presentación visual
de entradas BCD por encima de 9 son símbolos
únicos para denotar las condiciones de entrada.
El decodificador/excitador lleva incorporados control
automático de CERO-BLANKING en el flanco posterior y/o
anterior (RBI y RBO).
La prueba de lámpara (LAMP TEST LT) de estos tipos puede
realizarse en cualquier momento en que el nudo BI/RBO esté
en nivel alto. Ambos contienen una entrada para contrarrestar el
BLANKING (BI), que puede utilizarse para controlar la "intensidad de la
lámpara" o para inhibir las salidas.
NOTAS:
BI/RBO está cableada AND sirviendo como entrada de BLANKING
(BI) y/o salida RIPPLE-BLANKING (RBO).
La entrada de BLANKING (BI) debe estar abierta omantenida a un nivel
alto cuando se deseen funciones de salida 0 a 15, y la entrada de
RIPPLE-BLANKING (RBI) debe estar abiera o a nivel alto si no se desea
el BLANKING de un 0 decimal.X=la entrada puede ser alta o baja.
Cuando se aplica un nivel bajo a la entrada de BLANKING
(condición forzada) todas las salidas de segmento se van a
nivel bajo independientemente del estado de cualquier otra
condición de entrada.
Cuando la entrada de RIPPLE-BLANKING (RBI) y las entradas A, B, C, y D
esté a nivel bajo, con la entrada de prueba de
lámpara a nivel alto, todas las salidas de segmento se van a
nivel alto y la salida de RIPPLE-BLANKING (RBO) se pone a nivel bajo
(condición de respuesta).
Cuando la entrada de BLANKING/salida de RIPPLE-BLANKING (BI/RBO)
esté abierta o mantenida anivel alto y se aplique un nivel
bajo a la entrada de prueba de lámpara (LAMP TEST), todas
las salidas de segmento se ponen a nivel bajo.
Todas las demás combinaciones que no están
recogidas en las notas, se refieren al funcionamiento normal del
circuito para un valor de entrada en BCD tenemos en la salida
representado decimalmente mediante un display ese valor.
|
|
Decodificador/excitador BDC a siete
segmentos.
|
ENTRADAS |
E
/ S |
SALIDAS |
|
| DECIMAL
o Función |
LT |
RBI |
D |
C |
B |
A |
BI / RBO |
a |
b |
c |
d |
e |
f |
g |
NOTA |
| 0 |
1 |
x |
1 |
1 |
0 |
1 |
1 |
0
|
0 |
0 |
0 |
0 |
0 |
1 |
A |
| 1 |
1 |
x |
1 |
1 |
0 |
1 |
1 |
1 |
0 |
0 |
1 |
1 |
1 |
1 |
A |
| 2 |
1 |
x |
1 |
1 |
0 |
1 |
1 |
0
|
0 |
1
|
0 |
0 |
1
|
0 |
A |
| 3 |
1 |
x |
1 |
1 |
0 |
1 |
1 |
0
|
0 |
0 |
0 |
1 |
1 |
0 |
A |
| 4 |
1 |
x |
1 |
1 |
0 |
1 |
1 |
1 |
0 |
0 |
1 |
1 |
0 |
0 |
A |
| 5 |
1 |
x |
1 |
1 |
0 |
1 |
1 |
0
|
1 |
0 |
0 |
1 |
0 |
0 |
A |
| 6 |
1 |
x |
1 |
1 |
0 |
1 |
1 |
1 |
1 |
0 |
0 |
0 |
0 |
0 |
A |
| 7 |
1 |
x |
1 |
1 |
0 |
1 |
1 |
0
|
0 |
0 |
1 |
1 |
1 |
1 |
A |
| 8 |
1 |
x |
1 |
1 |
0 |
1 |
1 |
0 |
0 |
0 |
0 |
0 |
0 |
0 |
A |
| 9 |
1 |
x |
1 |
1 |
0 |
1 |
1 |
0
|
0 |
0 |
1 |
1 |
0 |
0 |
A |
| 10 |
1 |
x |
1 |
1 |
0 |
1 |
1 |
1 |
1 |
1 |
0 |
0 |
1 |
0 |
A |
| 11 |
1 |
x |
1 |
1 |
0 |
1 |
1 |
1 |
1 |
0 |
0 |
1 |
1 |
0 |
A |
| 12 |
1 |
x |
1 |
1 |
0 |
1 |
1 |
1 |
0 |
1 |
1 |
1 |
0 |
0 |
A |
| 13 |
1 |
x |
1 |
1 |
0 |
1 |
1 |
0 |
1 |
1 |
0 |
1 |
0 |
0 |
A |
| 14 |
1 |
x |
1 |
1 |
1 |
0 |
1 |
1 |
1 |
1 |
0 |
0 |
0 |
0 |
A |
| 15 |
1 |
x |
1 |
1 |
1 |
1 |
1 |
1 |
1 |
1 |
1 |
1 |
1 |
1 |
A |
| BI |
x |
x |
x |
x |
x |
x |
0 |
1 |
1 |
1 |
1 |
1 |
1 |
1 |
B |
| RBI |
1 |
0 |
0 |
0 |
0 |
0 |
0 |
1 |
1 |
1 |
1 |
1 |
1 |
1 |
C |
| LT |
0 |
x |
x |
x |
x |
x |
1 |
0 |
0 |
0 |
0 |
0 |
0 |
0 |
D |
Designaciones
numéricas. Visualización resultante.
Donde:


|
|
|
Capítulo II
Circuito de visualización de alarmas
|
| |
Descripción
detallada del circuito de
visualización de alarmas
|
En primer lugar conectamos LT, RBI y
BI/RBO a VCC (+5 Voltios), para tenerlas a un nivel alto, necesario
para el requerido funcionamiento en BCD del 7446.
Las entradas A, B, C y D reciben las
salidas del puerto 1 del microprocesador, el cual, escribirá
en ellas ciertas combinaciones binarias según el error o el
buen funcionamiento del esquema general, quedando representadas en un
visualizador óptico (display), en un código
más inteligible para el hombre.
Seguidamente presentamos la tabla de
códigos:
| VISUALIZACIÓN |
SITUACIÓN |
| 0 |
No hay problemas |
| 1 |
Trayectoria completa con
éxito |
| 2 |
Error de desbordamiento
de datos |
| 3 |
Error de
posición |
En la siguiente figura se puede ver el
diseño utilizado.

Las diferentes patillas de un Display
de 7 segmentos son las siguientes:
| Patilla |
Segmento / Señal |
| 1 |
g |
| 2 |
f |
| 3 |
Vcc |
| 4 |
a |
| 5 |
b |
| 6 |
ánodos |
| 8 |
Vcc |
| 9 |
d |
| 10 |
e |

|
|
Circuitos
de reloj
|
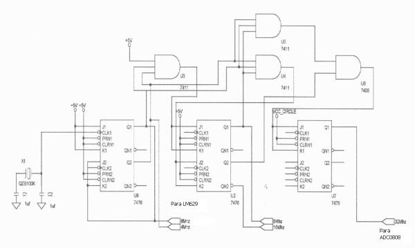
Partiendo del
preámbulo de la obtención de un cristal de cuarzo
de 16 MHz para atacar al microprocesador, debemos obtener una
señal de reloj de 8 MHz para el LM628 y de 500KHz para el
conversor A/D ADC0808 para hacer lo propio.
Para cumplir estos objetivos y con nuestros
conocimientos, podemos apreciar que todas las frecuencias a conseguir
son submúltiplos en potencia de dos de la principal.
Por ello, cabe pensar en la utilización de contadores para
realizar una división en frecuencia, o una segunda forma,
basada en el manejo de básculas para conseguir el mismo
objetivo.
Nosotros nos hemos decantado por ésta última,
pensando en la mejor utilización de un solo tipo de
integrado como elemento principal la báscula (flip-flop
7476).
|
|
El
circuito se puede ver el la figura siguiente.

Figura 2 Esquema final del reloj
Su funcionamiento será:
| |
FF5 |
FF4 |
FF3 |
FF2 |
FF1 |
| 00 |
0 |
0 |
0 |
0 |
0 |
| 01 |
0 |
0 |
0 |
0 |
1 |
| 02 |
0 |
0 |
0 |
1 |
0 |
| 03 |
0 |
0 |
0 |
1 |
1 |
| ... |
... |
... |
... |
... |
... |
| 29 |
1 |
1 |
1 |
0 |
0 |
| 30 |
1 |
1 |
1 |
0 |
1 |
| 31 |
1 |
1 |
1 |
1 |
0 |
| 32 |
1 |
1 |
1 |
1 |
1 |
| |
f /16 |
f /8 |
f /4 |
f /2 |
f /1 |
TABLA
1 Salida del conteo codificado
El circuito consta de cinco flip-flop en serie, los cuales
están interconectados a través de puertas AND, de
forma parecida a un registro de desplazamiento.
La señal de reloj se aplica a todos los flip-flop del
contador en paralelo, con lo cual los estados de sus salidas cambian
simultáneamente.
Debido a esta disposición de la señal de reloj,
este tipo de circuito se denomina “contador
síncrono”.
La regla por la cual en la columna uno de la tabla 1existe una
alternancia continua de 1 y 0, se puede interpretar como la salida de
un flip-flop JK que se dispara continuamente.
El flip-flop JK, FF1, del esquema general se dispara cuando existe
nivel 1 en sus entradas J y K.
La columna de peso 2 de la tabla 1, también tiene una
alternancia entre 1 y 0, sólo que ahora el cambio se produce
cada dos impulsos de reloj.
Comparando las secuencias de la columna del 2 con la de la 1 se
establece que cuando la columna 1 está en lógica
1, a la llegada del próximo impulso de cómputo,
la columna del 2 cambia su estado lógico.
Esto se puede implementar conectando las dos entradas de FF2 a la
salida Q de FF1, cuya señal producirá el disparo
de FF2.

|
Una vez realizado este diseño,
conseguimos mejorarlo teóricamente respecto a la
utilización de un menor número de circuitos
integrados, lo que lleva consigo una mejora también respecto:
-Reducción de espacio en el diseño
práctico.
-Reducción de cableado y por consiguiente menor posibilidad
de falsos contactos.
El circuito integrado que consigue realizar el mismo trabajo es el
MM74HC4040.
Al ser este proyecto teórico, creemos más
conveniente la utilización de esta última idea,
pero damos al lector la posibilidad de las dos configuraciones por los
distintos fines y/o predilecciones que pueda tener.
Ahora nuestro objetivo es explicar el circuito de reloj realizado con
el MM74HC4040.
Su funcionamiento es sencillo, conectando RESET a 0 Voltios el
dispositivo está preparado para trabajar.
Conectaremos la salida del cristal de cuarzo de 16 MHz (reloj del
microprocesador) a la entrada de reloj del MM74HC4040 para a partir de
esta frecuencia, obtener las frecuencias de 8 MHz en la salida Q1 que
realiza una división por 2 y 500KHz en la salida Q5 que
realiza una división por 32, con las que se
excitarán el LM629 y el convertidor
analógico-digital ADC0808 respectivamente.

|
Reset
del sistema
|
|
Reset
del sistema
Hemos optado por un circuito especifico
para el caso, que en principio era el TL7705, pero ha sido sustituido
por un equivalente mas sencillo.
En aplicaciones con microprocesadores con entrada de /RESET activa en
bajo, el MAX7705 es compatible en funcionalidad y encapsulado con el
TL7705, salvo que no necesita componentes externos.
Aporta inmunidad ante "glitches" de alimentación y garantiza
un "delay" en el reset adecuado en el arranque (power-up).
Monitoriza la alimentación del microprocesador o sistema
digital implicado. El /RESET resulta valido para caídas de 1
V en la alimentación.
Provee un reset al sistema en arranque (power-up), por caída
de la alimentación (power-down) y situaciones de disturbio.
Cuando la alimentación baja del umbral establecido, la
salida /RESET es nivel bajo y mantiene al microprocesador en reset.
Esta salida /RESET volverá a nivel alto 280 mseg
después de que la alimentación supere el umbral
de reset.
Afecta tanto al microprocesador como al MPID.
Para conseguir un reset manual, se implementa un pulsador que une con
masa la línea de reset para ambos circuitos, útil
en emergencias o situaciones recomendadas por el indicador de errores.

|
|
|
|
|